Tootele tuleb valida variandid.
-
files/shutit_badass_prisukamas_vyris_ci3700_ddtech_kamstelis.lt.jpg
-
files/shutit-badass-vyris-prisukamas-virinamas-ci3700-ddtech-kamstelis.lt.png
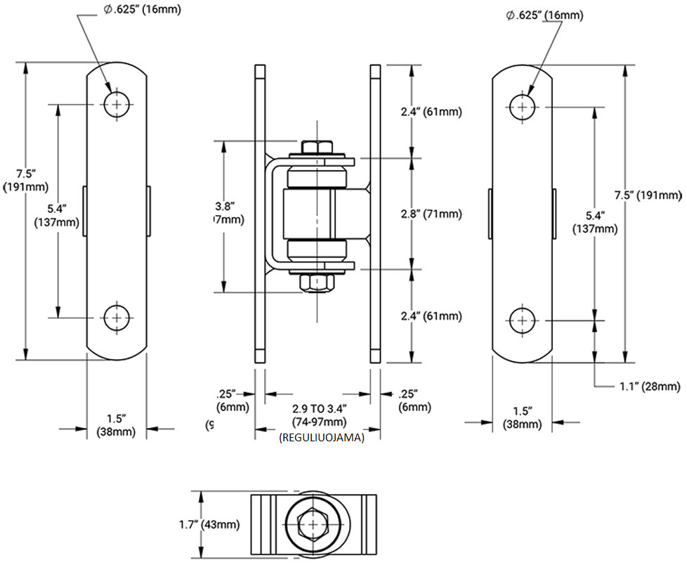
Kruvitav kahe laagriga hing, väravatele kuni 450 kg
Tootekood
VYP-450
- Tavaline hind
- €186,21
No reviews
- Tavaline hind
- €186,21
Järeletuleku valiku laadimine ebaõnnestus
Toote kirjeldus
D&D Technologies SHUT IT ® hinged on testitud üle miljoni tsükli ja väikseima tolerantsiga töödeldud osad välistavad hõõrdumise praktiliselt täielikult.
- Tugevdatud telg (polt) ja uuenduslik hõõrde-, vibratsiooni- ja kõrge temperatuurikindel lukuga mutter
- Kinnitusklambrid kruvide aukudega
- Värava paigaldamiseks kohtades, kus keevitamine pole võimalik
- Tugiposti kronsteinil on horisontaalne reguleerimine
- Kaks suletud kõrge temperatuuriga laagrit
- Võib olla pulbervärvitud
- Ei vaja hooldust ega määrimist
- Hingede komplekti maksimaalne lubatud koormus - 900 kg
- Maksimaalne lubatud värava kaal kahe hingega - 450 kg
- Tugiposti ja aknaraami vaheline kaugus 74 mm kuni 86 mm
- Hind 1 ühiku kohta.
Materjal - tsingitud teras.
Kokkupannud D&D Technologies (USA).
Palun võtke meiega ühendust, kui te ei leia otsitavat toodet.